Выключатель дифференциальный ВД1-63 (УЗО)
Преимущества
- Наиболее эффективная защита человека от поражения электрическим током
- Не имеет собственного потребления электроэнергии
- Модульное исполнение экономит пространство в распределительном щите и значительно облегчает процедуру монтажа
- Широкий диапазон рабочих температур от –25 °C до +40 °C
- Тестирующая цепь сохраняет работоспособность в диапазоне напряжений:
• 110–265 В (двухполюсный)
• 200–460 В (четырёхполюсный) - Варианты исполнения на восемь номинальных токов
- Высокая механическая износостойкость
- Срок службы не менее 15 лет
При эксплуатации рекомендуется ежемесячно проверять работоспособность выключателя нажатием кнопки «ТЕСТ». Отключение выключателя свидетельствует о его исправности.
Назначение изделия
Выключатель дифференциальный ВД1-63 (УЗО) предназначен для защиты человека от поражения электрическим током при случайном непреднамеренном прикосновении к токоведущим частям электроустановок при повреждениях изоляции (уставка — 10 мА, 30 мА, 100 мА). Это единственная защита человека при прямом однофазном прикосновении к токоведущим частям.
Выключатели с уставкой срабатывания 300 мА и 500 мА предназначены для предотвращения возгорания и пожаров вследствие протекания токов утечки на землю.
При использовании выключателя ВД1-63 необходимо последовательно с ним включать автоматический выключатель ВА47-29 или ВА47-100 (аналогичного или меньшего номинала), так как ВД1-63 не обеспечивает защиту от сверхтоков (короткого замыкания и перегрузки).
Описание
Выключатель ВД1-63 — электромеханическое устройство, не имеющее собственного потребления электроэнергии. Он сохраняет работоспособность, т.е. осуществляет защиту от электропоражений и возгораний при любых колебаниях напряжения в сети и даже при обрыве нулевого рабочего проводника. Предусмотрено двух- и четырёхполюсное исполнение. Монтаж производят на 35 мм монтажную DIN-рейку.
Принцип действия
При протекании по силовым проводам тока нагрузки в магнитопроводе дифференциального трансформатора создаются равные, противоположно направленные и взаимно компенсирующие друг друга магнитные потоки. Во вторичной обмотке напряжения нет, якорь расцепителя притянут магнитом, механизм управления взведён.
При появлении дифференциального тока (тока утечки) через повреждённую изоляцию или тело человека равенство магнитных потоков нарушается. Если значение дифференциального тока окажется достаточным для создания магнитного потока в ярме, который уравновесит удерживающий поток «блокирующего» магнита, возвратная пружина оторвёт якорь от ярма и через подвижный шток ударит по поворотному элементу. Произойдёт сброс механизма управления, и выключатель отключится даже при удержании рукоятки во взведённом положении.
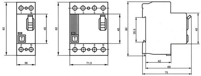
Габаритные и установочные размеры

Внутреннее устройство
- Корпус из термостойкой ABS-пластмассы
- Присоединительные зажимы с насечкой для надёжной фиксации внешних проводников
- Механизм управления
- Электромеханический расцепитель
- Кнопка «ТЕСТ»
- Датчик-трансформатор
- Посадочное место на 35-мм монтажную DIN-рейку

Технические характеристики
| ПАРАМЕТР | 2 полюса | 4 полюса |
|---|---|---|
| Номинальное рабочее напряжение Ue, В | ~230 | ~230/400 |
| Номинальная частота тока сети f, Гц | 50 | 50 |
| Номинальный ток In, А | 16, 25, 32, 40, 50, 63, 80, 100 | 16, 25, 32, 40, 50, 63, 80, 100 |
| Номинальный отключающий дифференциальный ток IΔn, мА | 10, 30, 100, 300 | 30, 100, 300, 500 |
| Число полюсов | 2 | 4 |
| Номинальный неотключающий дифференциальный ток | 0,5 IΔn | 0,5 IΔn |
| Номинальная наибольшая дифференциальная включающая и отключающая способность IΔm, А | 800 | 800 |
| Номинальный условный дифференциальный ток короткого замыкания IΔc, А | 3000 | 3000 |
| Время отключения при IΔn, не более, мс | 40 | 40 |
| Электрическая износостойкость, циклов В-О, не менее | 4000 | 4000 |
| Механическая износостойкость, циклов В-О, не менее | 10 000 | 10 000 |
| Максимальное сечение провода, мм² | 50 | 50 |
| Категория применения по ГОСТ Р 50030.1-2000 | AC-22 | AC-22 |
| Диапазон рабочих температур, °С | –25…+40 | –25…+40 |
| Климатическое исполнение и категория размещения по ГОСТ 15150-69 | УХЛ4 | УХЛ4 |
| Степень защиты по ГОСТ 14254-96 | IP20 | IP20 |
| Наличие драгоценных металлов (серебро), г/полюс | 1,0 | 1,0 |