Типы кнопочных постов и переключателей
| ТИП | Ø, мм | КОНСТРУКТИВНОЕ ИСПОЛНЕНИЕ | ФУНКЦИОНАЛЬНОЕ НАЗНАЧЕНИЕ | ПРИМЕЧАНИЕ |
|---|---|---|---|---|
| PPBB-30N | 30 | Кнопочный сдвоенный выключатель (пост) с прямоугольной быстросъёмной головкой, с подсветкой | Оперативное управление контакторами: «Пуск-Стоп» | Подсветка неоновой лампой BA9S на 230 В, контакты — две группы: 1 з + 1 р |
| APBB-22N | 22 | Кнопочный сдвоенный выключатель (пост) с овальной быстросъёмной головкой, с подсветкой | Оперативное управление контакторами: «Пуск-Стоп» | Подсветка неоновой лампой BA9S на 230 В, контакты — две группы: 1 з + 1 р |
| AELA-22 | 22 | Кнопка «Грибок» с быстросъёмной головкой, с подсветкой Цвет: ![]() |
Оперативное управление технологическим оборудованием | Подсветка неоновой лампой BA9S на 230 В, контакты — две группы: 1 з + 1 р |
| АЕА-22 | 22 | Кнопка «Грибок» с быстросъёмной головкой, без подсветки Цвет: ![]() |
Оперативное управление технологическим оборудованием | Контакты — две группы: 1 э + 1 р |
| ANE-22 | 22 | Кнопка «Грибок» с быстросъёмной головкой и моментным срабатыванием при повороте грибка, с подсветкой Цвет: ![]() |
Оперативное управление технологическим оборудованием с исключением ошибки оператора | Подсветка неоновой лампой BA9S на 230 В, контакты — две группы: 1 з + 1 р |
| АЕ-22 | 22 | Кнопка управления «Грибок» с быстросъёмной головкой с фиксацией и моментным возвратом при повороте грибка Цвет: ![]() |
Оперативное управление технологическим оборудованием с исключением ошибки оператора | Контакты — две группы: 1 э + 1 р |
| SB-7 | 22 | Кнопка управления «Стоп» без фиксации Цвет: ![]() |
Оперативное управление технологическим оборудованием | Плоская кнопка без подсветки; контакты — одна группа: 1 р |
| SB-7 | 22 | Кнопка управления «Пуск» без фиксации Цвет: ![]() |
Оперативное управление технологическим оборудованием | Плоская кнопка без подсветки; контакты — одна группа: 1 р |
| LAY5-BS142 | 22 | Кнопка управления «Грибок» с быстросъёмной головкой с фиксацией и возвратом в исходное положение при повороте ключа Цвет: ![]() |
Оперативное управление технологическим оборудованием и исключение несанкционированного доступа | Контакты: 1 р |
| ABLFS-22 | 22 | Кнопка управления с самовозвратом с подсветкой Цвет: ![]() |
Оперативное управление технологическим оборудованием | Высокая кнопка с металлизированным кольцом. Подсветка неоновой лампой BA9S на 230 В, контакты — две группы: 1 з + 1 р |
| ABLF-22 | 22 | Кнопка управления с самовозвратом с подсветкой Цвет: ![]() |
Оперативное управление технологическим оборудованием | Высокая кнопка с металлизированным кольцом. Подсветка неоновой лампой BA9S на 230 В, контакты — две группы: 1 з + 1 р |
| ALCLR-22 | 22 | Переключатель на три фиксированных положения I – 0 – II Цвет: ![]() |
Реверсирование электродвигателей | Контакты — две группы: 1 з + 1 р |
| AKS-22 | 22 | Переключатель на два фиксированных положения I – 0 с ключом | Защита от несанкционированного включения оборудования | Ключ вынимается в положении «О» |
| АС-22 | 22 | Переключатель на два фиксированных положения I – О Цвет: ![]() |
Переключение отдельных электрических цепей | Контакты — две группы: 1 з + 1 р |
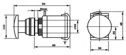
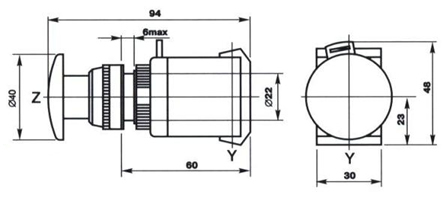
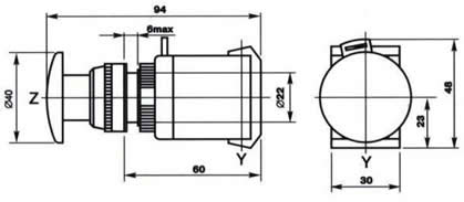
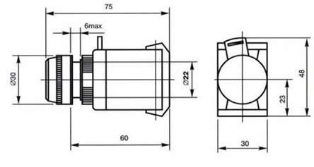
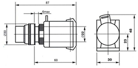
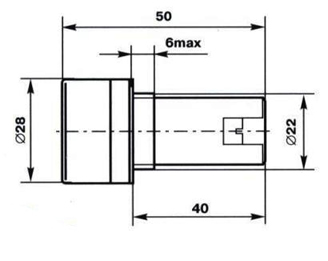
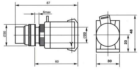
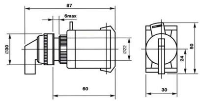
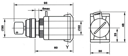
Вид и габаритные размеры


PPBB-30N


APBB-22N


AELA-22


АЕА-22


ANE-22


АЕ-22


LAY5-BS142


ABLFS-22


ABLFP-22


SB-7


ABLF-22


ALCLR-22


AKS-22
Параметры
| ПАРАМЕТРЫ | ПЕРЕМЕННЫЙ ТОК | ПОСТОЯННЫЙ ТОК | ||||||||
|---|---|---|---|---|---|---|---|---|---|---|
| 660 В | 400 В | 230 В | 120 В | 48 В | 400 В | 230 В | 120 В | 48 В | 24 В | |
| Номинальный рабочий ток контактов, А | Категория применения AC-12 | Категория применения DC-12 | ||||||||
| 2,5 | 4,5 | 7,5 | 10 | 10 | 0,6 | 1,3 | 2,5 | 5 | 1,0 | |
| Категория применения AC-15 | Категория применения DC-13 | |||||||||
| 1,5 | 2,5 | 4,5 | 6 | 6 | 0,1 | 0,3 | 0,6 | 1,3 | 2,5 | |
| Электрическая износостойкость, циклов В-О × 10⁴ | ABLF, ABLFP, AEA — 300 ABLFS, PPBB-30N, APBB-22N — 100 ALCLR, AKS — 10 |
|||||||||
| Механическая износостойкость, циклов В-О × 10⁴ | Все исполнения на переменном токе — 60 Все исполнения на постоянном токе — 30 Только кнопки с ключом и кнопки с фиксацией — 10 |
|||||||||
| Степень защиты по ГОСТ 14254-96 | IP40 | |||||||||
| Допустимая частота коммутаций (циклов В-О/ч) | 12–300 | 300–1200 | 1200–3600 | 120–300 | 300–1200 | 1200–3600 | ||||
| % нагрузки контактов по току от рабочего значения | 40 | 25 | 15 | 40 | 25 | 15 | ||||
| Диапазон рабочих температур, °С | от –10 до +40 | |||||||||


