Камеры одностороннего обслуживания серии КСО-298, КСО-292
Схемы главных цепей
1ВВ
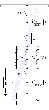
Отходящая линия

2ВВ
Отходящая линия

3ВВ Шинный ввод, секционный выключатель

4ВВ (4.1ВВ) Секционный выключатель с задним переходом (боковым переходом)

5ВВ (5.1ВВ) Секционный выключатель с задним переходом (боковым переходом)

6ВВ Ввод.
Отходящая линия

6.1ВВ Ввод.
Отходящая линия

7ВВ Ввод.
Отходящая линия

7.1ВВ Ввод.
Отходящая линия

7.2ВВ (7.3ВВ) Ввод. Отходящая линия с боковым (задним) вводом

8ВВ Ввод.
Отходящая линия

8.1ВВ Ввод.
Отходящая линия

8.2ВВ (8.3ВВ) Ввод. Отходящая линия с боковым (задним) вводом

9
Отходящая линия

9.1
Отходящая линия

10
Отходящая линия

10.1
Отходящая линия

11 Ввод. Отходящая линия

11.1 Ввод. Отходящая линия

12 Трансформатор напряжения
с кабельной сборкой

12.1 Трансформатор напряжения
с боковым переходом

12.2 Трансформатор напряжения с боковым переходом

13 Трансформатор напряжения с заземлением сборных шин

14 Трансформатор напряжения

15 Трансформатор собственных нужд

15.1 Трансформатор собственных нужд

16ШП Приводы шинного моста

16ШЛ Приводы шинного моста

22
Кабельная сборка

22.1
Кабельная сборка

22.2 Кабельная сборка с трансформатором собственных нужд

22.3 Кабельная сборка

23 Секционный разъединитель шинный ввод

24 Секционный разъединитель

24.1 (24.2) Секционный разъединитель с боковым (задним) переходом

25 Трансформатор напряжения с секционным переходом

28А Панель собственных нужд

28.1А (28.2А) Панель собственных нужд с задним (боковым) вводом

28.3А Панель собственных нужд с кабельной сборкой

28.4А (28.5А) Панель собственных нужд с боковым (задним) переходом

31П Заземление сборных шин

32Л Заземление сборных шин

31.1ШП Заземление сборных шин
с приводами шинного моста

31.1ШЛ Заземление сборных шин
с приводами шинного моста

В материале использованы изображения условных обозначений из Библиотеки трафаретов Visio РУ - схемы главных цепей